Guía para principiantes en Lenguaje Ladder: aprende PLC desde cero
El lenguaje Ladder es el punto de entrada más común al mundo de la programación de PLC y la automatización industrial. Su representación gráfica, similar a los diagramas eléctricos tradicionales, lo convierte en un lenguaje ideal para principiantes.
Esta guía está diseñada para ayudarte a comprender qué es Ladder, cómo funciona y cómo empezar a programar, sin conocimientos previos avanzados.
1. ¿Qué es el lenguaje Ladder?
El lenguaje Ladder (diagrama de escalera) es un lenguaje gráfico utilizado para programar PLC. Representa la lógica de control mediante símbolos que simulan contactos, bobinas y conexiones eléctricas.
Cada línea horizontal, llamada peldaño, define una acción que el PLC debe ejecutar.
2. ¿Por qué Ladder es ideal para principiantes?
Ladder es ideal para comenzar porque:
- Es visual e intuitivo
- Se parece a diagramas eléctricos reales
- Es fácil de entender y mantener
- Está ampliamente usado en la industria
- No requiere conocimientos avanzados de programación
Por estas razones, es el lenguaje más enseñado en cursos de PLC.
3. Cómo se lee un diagrama Ladder
Un programa Ladder se lee:
- De izquierda a derecha
- De arriba hacia abajo
El PLC evalúa si existe un “camino lógico” entre la línea izquierda y la derecha. Si el camino es verdadero, la salida se activa.
Este principio es clave para entender cómo funciona Ladder.

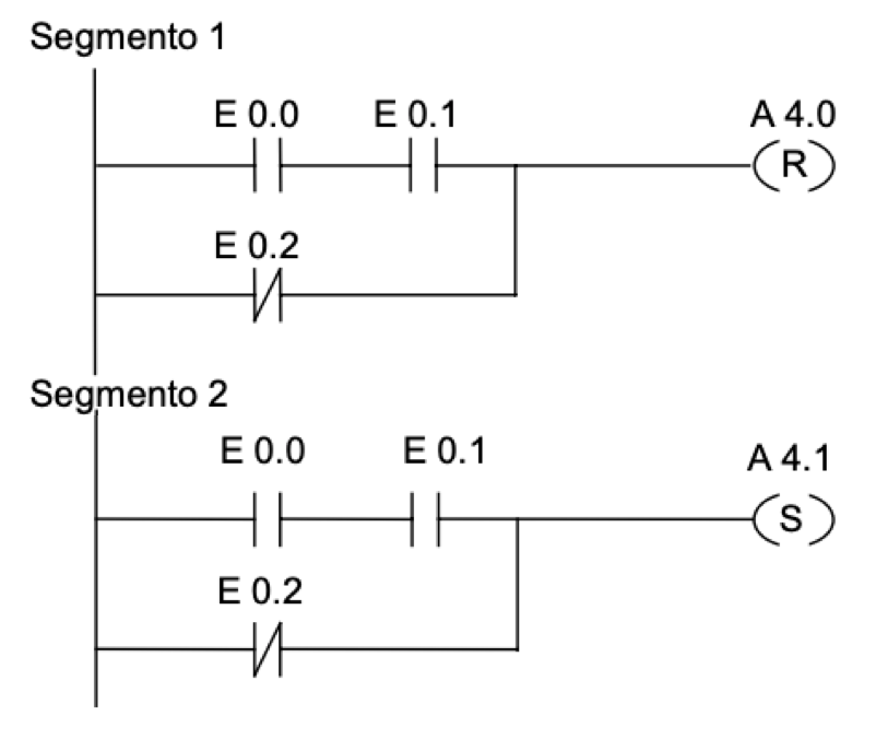
4. Elementos básicos del lenguaje Ladder
Los elementos esenciales que todo principiante debe conocer son:
- Contacto normalmente abierto (NO): se activa cuando la entrada es verdadera
- Contacto normalmente cerrado (NC): se activa cuando la entrada es falsa
- Bobina: representa una salida
- Marcas internas: bits de memoria
- Temporizadores: controlan tiempo
- Contadores: cuentan eventos
Con estos elementos se pueden crear la mayoría de los programas básicos.
5. Primer programa en Ladder (concepto)
Un ejemplo típico de inicio es el arranque y paro de un motor:
- Un botón de arranque activa la salida
- Un botón de paro desactiva la salida
- Una marca mantiene el estado encendido
Este tipo de ejercicio ayuda a entender la lógica fundamental de Ladder.
6. Errores comunes de principiantes
Al iniciar en Ladder, es común cometer errores como:
- No entender el orden de evaluación
- Usar demasiadas marcas innecesarias
- No documentar el programa
- Ignorar condiciones de seguridad
- Confundir contactos NO y NC
Reconocer estos errores acelera el aprendizaje.
7. Consejos para aprender Ladder más rápido
Para avanzar de forma efectiva:
- Practica con simuladores
- Analiza ejemplos reales
- Usa nombres claros para entradas y salidas
- Documenta cada peldaño
- Aprende poco a poco, sin saltarte conceptos
La práctica constante es clave.

8. ¿Qué aprender después de Ladder?
Una vez dominado Ladder, es recomendable aprender:
- Temporizadores y contadores avanzados
- Interbloqueos y seguridad
- Otros lenguajes PLC (FBD, ST)
- Comunicación entre PLC
- Integración con HMI
Esto te permitirá crear sistemas más completos.
9. Conclusiones
El lenguaje Ladder es la mejor puerta de entrada a la programación de PLC. Su estructura visual y lógica clara lo hacen ideal para principiantes. Dominar Ladder permite comprender el funcionamiento del control industrial y sentar las bases para avanzar en la automatización moderna.
Guía para principiantes en Lenguaje Ladder: aprende PLC desde cero